Connect with us
×
ARTICLES
LATEST
NEWS
PROJECTS
TECHNICAL ARTICLES
NEW INDUSTRY PRODUCTS
Forum
LATEST
GENERAL ELECTRONICS
CIRCUITS & PROJECTS
EMBEDDED & MICRO
COMMUNITY
Education
Textbooks
Video Lectures
Worksheets
Industry Webinars
Industry Training
Tools
Calculators
Part Search
Test Equipment DB
BOM Tool
Reference Designs
Datasheets
Giveaways
Test Db
LOG IN / JOIN
Log In
Join AAC
Sign in with
Member Benefits
Log In
Join AAC
Sign in with
Member Benefits
Search the largest collection of electronics tools & calculators.
Most Viewed
A-Z
Filter by Application Type:
Analog
Connectors
Digital ICs
EDA
Electromechanical
General
Optoelectronics
Passives
PCB
Power
Wireless/RF
Or try an example search:
Resistor Color Code Calculator
Trending Tools
Engineering Calculators
555 Timer Astable Circuit
In an astable circuit, the output voltage alternates between VCC and 0 volts on a continuous basis.
555 Timer Monostable Circuit Calculator
This calculator computes for the output pulse width of a 555 timer monostable circuit
Antenna Downtilt and Coverage Calculator
This calculator will determine the correct antenna downtilt angle given the heights of the antennas and distance between...
Asymmetric Stripline Impedance Calculator
This calculator helps you compute the characteristic impedance of an asymmetric stripline
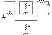
Balanced Attenuator Calculator
This balanced attenuator calculator helps you determine the resistor (R1) values for a balanced attenuator.
Bandpass Filter Calculator
This calculates values of the inductance, capacitance of an inductor and capacitor used in a Butterworth LC bandpass...
Bridged-Tee Attenuator Calculator
This calculator helps you determine the values of the resistors R1 and R2 to be used for a bridged-tee attenuator.
Broadside Coupled Stripline Impedance Calculator
This calculator helps you compute the characteristic impedance of a broadside coupled stripline.
Broadside Coupled Trace Inductance Calculator
This calculator helps you compute the inductance of a broadside coupled trace.
Capacitance Calculator
This calculates the capacitance of a capacitor based on its charge, Q, and its voltage, V, according to the formula,...
Capacitance, Reactance, and Admittance Calculator
A calculator for solving the capacitance, reactance, and admittance of a capacitor.
Capacitor Charge and Time Constant Calculator
This calculator computes for the capacitor charge time and energy, given the supply voltage and the added series...
Capacitor Impedance Calculator
This tool calculates a capacitor's reactance for a given capacitance value and signal frequency.
Coax Impedance Calculator
A helpful tool for calculating the impedance of a coaxial cable.
Coax Inductance Calculator
A calculator for computing the inductance of a coaxial cable.
Coil Inductance Calculator
This calculator helps you compute the inductance of a coil.
Convert MCD to Lumens
This calculator is useful for calculating the luminous flux for LEDs where the angle is known.
Edge Coupled Microstrip Impedance Calculator
This tool helps calculate the impedance of an edge coupled microstrip.
Edge Coupled Stripline Impedance Calculator
A calculator for computing the impedance of an edge coupled stripline.
Edge Coupled Trace Inductance Calculator
This calculator helps you compute for the inductance of an edge coupled trace.
EIRP Calculator
A helpful tool for computing the Effective Isotropic Radiated Power (EIRP) of an antenna
Embedded Microstrip Impedance Calculator
This calculator helps you compute the characteristic impedance of an embedded microstrip.
Flyback Switch Mode Regulator Calculator
A calculator for computing several parameters needed in the design of a flyback switch mode regulator
Free Space Path Loss Calculator
This calculator computes for the free space path loss between transmit and receive antennas.
Page 1 of 4
Next Page →
Close
Trending Tools
Resistor Color Code Calculator and Chart (4-band, 5-band or 6-band)
RMS Voltage Calculator
Capacitor Impedance Calculator
Ohm’s Law Calculator
Parallel Resistance Calculator
Continue to site
Quote of
the day
“
”
-