倒立振子 さらなる小型化 機体製作その2 |


|
カレンダー
カテゴリ
最新の記事
以前の記事
2016年 10月 2016年 06月 2016年 05月 2016年 02月 2016年 01月 2015年 12月 2015年 11月 2015年 10月 2015年 09月 2015年 08月 2015年 07月 2015年 06月 2015年 05月 2015年 04月 2015年 03月 2015年 02月 検索
最新のコメント
最新のトラックバック
外部リンク
ファン
記事ランキング
ブログジャンル
|
1
2015年 08月 31日
![]() ![]() ■
[PR]
▲
by kookymaverick
| 2015-08-31 08:36
| 倒立振子
|
Trackback
|
Comments(0)
2015年 08月 30日
構想図がまとまったので、早速機体の製作にとりかかります。
まず、モーターを取り付けるベースプレートを製作します。CAD図面をもとにアクリル板を工作します。 出来上がったベースプレートに電池ケースを取り付けます。構想図とは90度回転した位置でねじ止めしました。 つぎは、DCモーターの取付です。モーター本体をプレートに瞬間接着剤で貼り付けます。 配線の取り回しです。これでベースプレートは完成しました。今回は、ヘッドランプを付けてみました。 次回は、コントロール基板を製作します。 (2015年8月) ■
[PR]
▲
by kookymaverick
| 2015-08-30 17:12
| 倒立振子
|
Trackback
|
Comments(0)
2015年 08月 29日
前作の反省点は基板を分けるとその間のケーブルの取り回しが面倒なのと、ケーブルが意外に場所をとるということです。基板一枚のほうが有利です。 マイコンははキットを使わずに単体部品で構成します、この方が高さ方向を稼げます。 もっとも場所をとる電池の場所ですが、前作を眺めてみるとDCモーター周りに大きなスペースがありますので、ここに格納してみることにします。 その他の部品構成は前作同様ということで部品の配置を構想してみます。 この際に活躍するのが三次元CADです。色々と試してみましたが今はDesignSparkというフリーソフトを使っています。直感的に使えるのと電子部品のライブラリーが豊富なので最近はこれを使っています。 出来上がった構想図です。うまく納まっています。 (左図:前作 右図:今回の構想) 横幅は前作と同じですが、高さ方向が大幅に削減されています。 (2015年8月)
■
[PR]
▲
by kookymaverick
| 2015-08-29 21:38
| 倒立振子
|
Trackback
|
Comments(0)
2015年 08月 22日
完全な倒立状態を実現すべくチューニングを続けています。調整個所はPID制御の常数Kp,Ki,Kdと角度オフセット、左右のモーターオフセットです。以前に製作した3号機とはPID関係の常数がずいぶん異なる。半日ほどの調整で倒立状態はほぼ保てるようになりました。
この状態で、走行させてみることにします。結果は、こちらも3号機の走行プログラムでは前後進がうまくいきません。旋回は機体重心の移動が少ない状態ですから、どんな機体でもそれなりに上手く旋回してくれますが、前後進は大きく重心移動を行いますので一筋縄ではいきません。一応この状態での動画を掲載しておきますが、しばらくは悩まなければならないかも知れません。3号機の時は前後進のプログラム完成に一か月以上かかってしまいました。 動画ではなんとか動いていますが3号機と同じ前後進プログラムでは非常にトリッキーな動きをします。なにしろ3号機に比べて重量は10分の1ですからもう少し試行錯誤が必要です。まあ、これはこれで動きとしては面白いのですが。 (2015年8月) ■
[PR]
▲
by kookymaverick
| 2015-08-22 15:39
| 倒立振子
|
Trackback
|
Comments(0)
2015年 08月 13日
前作ではミニサイズのクローラロボットを完成しましたが、今度は出来得る限り小型の倒立振子を作ってみようと思います。ネット上でミニサイズの倒立振子を探してみましたが、手のひらサイズのものはなかなか見つかりません。ということは、もし完成すればそれなりの満足度が得られるということです。意欲がでてきました。
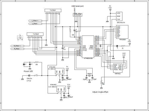
さて、手のひらサイズというからには横幅80㎜から大きくても100㎜以内には収めたいです。小型にしてもずっしりと重いというのでは興ざめですから重量は150g以内というところが目標です。 問題はモーター選びです。そこそこトルクがありそうで小型のものでは前作で使った9gサーボを連続回転にする方法でも使えそうですが、こちらは回転速度の微妙な調整がかなり難しく候補からは外れます。ステッピングモーターには小型で全長の短いものがありそうなのですが、胴回りが大きいので小型化には向きません。結局、減速機付きのDCモーターの中から選定してみることに。ネットを検索するとありました、AliExpressに6V駆動で200rpmという小型のものを見つけました。回転数もトルクもなんとか使えそうです。シャフトを除いた全長24㎜ですから車輪をつけても片側50㎜以内で収まりそうです。早速2個を注文、2個で送料込で8ドル弱でした。 つぎに、車輪選びです。こちらはタミヤのスリムタイヤセットを選択しました。車輪径が36㎜と55㎜の二種類あります。シャフト径は六角3㎜に対応しているので、モータのシャフト径が3㎜ですので追加工すれば接続出来そうです。 センター出しが肝心ですので慎重に工作します。J3という部品の六角穴側からM3タップをねじ込んでいきます、六角穴がガイドになってセンターが出し易くなります。 ![]() (先端が膨らんできています) 反対側に貫通したところで、今度はそのセンター孔を利用して3㎜径のドリルで孔を加工します、これで正確に3㎜孔を追加工できました。出来上がった孔にモーターシャフトを差し込んで完成です。 ![]() 駆動系に目途がついたので三次元CADで構想図を作成していきます。機体幅100㎜でなんとか収まりそうです。 モータを取り付けるベースプレートをCAD図面をもとにアクリル板で製作します。モーターは強力両面テープで接着しました。頼りなげですが、なんとか使えそうです。 ![]() 全体の回路図です。注意点はUSBとの接続ポートのRESETとマイコンの1番ポートの間に0.1μのコンデンサを追加しないとプログラムを読み込みできなかった。理由はよく解りません。今回の回路特有の問題かもしれません。 完成した機体です。機体幅100㎜、重量134gでまとまりました。 プログラムは3号機のものを流用していますが、各定数は機体に合わせて調整が必要です。まだだチューニングが必要ですが、なんとか倒立姿勢は保てるようになってきました。その模様を動画にしてみました。 さて、後は細かなチューニングとリモコン操作の完成が必要ですが、ほぼ思いどおりのサイズで倒立振子を製作出来る目途ができました。さらなる小型軽量化の改良ポイントととしては、3.7V電池1本で電圧を昇圧してやっても駆動できそうな感じです。そうすれば基板一枚に集約することも可能性がでてきました。 (2015年8月) ■
[PR]
▲
by kookymaverick
| 2015-08-13 08:57
| 倒立振子
|
Comments(0)
2015年 08月 08日
倒立振子はしばらくお休みとして、出来るだ小さなロボットを作ってみたくなってきました。
きっかけは、以前購入して在庫になっているSG90という重さ僅か9gのサーボモータを連続回転しようという記事をネット上でみつけたことです。その記事はこちらです。 http://d.hatena.ne.jp/licheng/20140822/p1 そこそこトルクもありそうなので、タミヤのクローラぐらいは駆動できそうです。 であれば出来るだけ小さなクローラタイプの車体を作ってみようかと思い立ちました。小型化で問題になるのはバッテリーですが、小型のリチウム電池RCR123Aを1個を基板上に載せてみることに、どうせならば距離センサーで障害物検知と構想がまとまり、いつもの様に3DCAD上で構想を描いていきます。 どうにか70㎜四方の手のひらサイズでまとまりそうです。 それでは工作にとりかかります。まづはSG90の全回転化の工作です、参考にさせていただいたHPにしたがって進めていきます。1個目は問題なく完成、2個目で問題発生です。ポテンショメータ軸を固定するために流し込んだ瞬間接着剤が変なところに入ってしまったようで抵抗値がゼロになってしまいました。仕方がないので基板上のポテンショメータ接続点に半固定抵抗を半田付けしてみました。手持ちに2kしかなかったのですが、これでも問題なしです。結果的にはこの方が中立点を外部から調整できるので便利です。 クローラ部分はタミヤの「楽しい工作シリーズ・トラック&ホイールセット」を利用します。完成した走行部です。 ![]() 完成した本体です。重量は125gでした。 ![]() ![]() さて、試運転です。プログラムは以前に制作した同様の機体のものを流用しています。前方は常に監視、空きがなければ停止し左右の空きのあるほうへ旋回、さらに0.1秒ごとに左右を監視、左右が限度距離以下であれば空いているほうに旋回、どちらも空きがなければ反転というふうにしてありますが、まだうまく動いてはいません。一応、監視と退避は出来ているようです。 まだプログラムのブラッシュアップが必要です、赤外線センサーも搭載してあるのでいずれはリモコン操作にも対応してみるつもりです。 (2015年7月)
■
[PR]
▲
by kookymaverick
| 2015-08-08 15:09
| ロボット
|
Comments(0)
1 | |||||||||||||||||||||||||||||||||||||||||||||||||||||||||||||||
ファン申請 |
||
外部サイトRSS追加 |
||